|
 |
产品展示 |
 |
|
| |
|
| |
|
| 产品名称:干式蒸发器系列 |
| 产品型号: |
 |
|
|
|
|
|
|
|
|
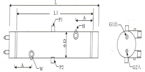
干式蒸发器单机 |
|
型号
|
冷吨RT |
外形尺寸(mm) |
进出口直径(英寸) |
|
R22 热负荷 kw |
D |
L1 |
L |
A |
G1 |
G2 |
W |
P1 |
P2 |
H |
|
YQG1-5 |
5 |
20.8 |
165 |
900 |
1000 |
100 |
7/8 |
5/8 |
1-1/2 |
3/4 |
3/4 |
3/8 |
|
YQG1-8 |
8 |
33.4 |
219 |
1090 |
1190 |
100 |
1-1/8 |
5/8 |
1-1/2 |
3/4 |
3/4 |
3/8 |
|
YQG1-10 |
10 |
41.7 |
219 |
1190 |
1290 |
150 |
1-3/8 |
5/8 |
2 |
3/4 |
3/4 |
3/8 |
|
YQG1-15 |
15 |
62.2 |
219 |
1400 |
1500 |
150 |
1-5/8 |
78 |
2 |
3/4 |
3/4 |
3/8 |
|
YQG1-20 |
20 |
83.4 |
273 |
1290 |
1390 |
150 |
2-1/8 |
7/8 |
2-1/2 |
3/4 |
3/4 |
3/8 |
|
YQG1-25 |
25 |
104.2 |
273 |
1480 |
1570 |
150 |
2-1/8 |
1-3/8 |
2-1/2 |
3/4 |
3/4 |
3/8 |
|
YQG1-30 |
30 |
125.1 |
273 |
1540 |
1630 |
200 |
2-1/8 |
1-3/8 |
3 |
3/4 |
3/4 |
3/8 |
|
YQG1-35 |
35 |
146 |
273 |
1620 |
1720 |
200 |
2-5/8 |
1-3/8 |
3 |
3/4 |
3/4 |
3/8 |
|
YQG1-40 |
40 |
166.8 |
273 |
1730 |
1830 |
200 |
2-5/8 |
1-3/8 |
3 |
3/4 |
3/4 |
3/8 |
|
YQG1-45 |
45 |
187.7 |
325 |
1760 |
1860 |
200 |
2-5/8 |
1-3/8 |
3 |
3/4 |
3/4 |
3/8 |
|
YQG1-50 |
50 |
208.5 |
325 |
1830 |
1930 |
200 |
2-5/8 |
1-3/8 |
3 |
3/4 |
3/4 |
3/8 |
|
YQG1-55 |
55 |
229.45 |
325 |
1950 |
2050 |
200 |
2-5/8 |
1-3/8 |
3 |
3/4 |
3/4 |
3/8 |
|
YQG1-60 |
60 |
250.2 |
325 |
2010 |
2110 |
255 |
2-5/8 |
1-3/8 |
4 |
3/4 |
3/4 |
3/8 |
|
YQG1-65 |
60 |
271.1 |
325 |
2010 |
2140 |
255 |
2-5/8 |
1-3/8 |
4 |
3/4 |
3/4 |
3/8 |
|
YQG1-70 |
70 |
292 |
325 |
2010 |
2140 |
255 |
2-5/8 |
1-5/8 |
4 |
3/4 |
3/4 |
3/8 |
|
YQG1-75 |
75 |
312.8 |
325 |
2010 |
2140 |
255 |
2-5/8 |
1-5/8 |
4 |
3/4 |
3/4 |
3/8 |
|
YQG1-80 |
80 |
333.6 |
325 |
2410 |
2510 |
255 |
2-5/8 |
1-5/8 |
4 |
3/4 |
3/4 |
3/8 |
|
YQG1-85 |
85 |
354.5 |
355 |
2510 |
2620 |
255 |
2-5/8 |
1-5/8 |
4 |
3/4 |
3/4 |
3/8 |
|
YQG1-90 |
90 |
375.3 |
355 |
2440 |
2550 |
255 |
2-5/8 |
1-5/8 |
4 |
3/4 |
3/4 |
3/8 |
|
YQG1-95 |
95 |
396.2 |
355 |
2440 |
2550 |
255 |
2-5/8 |
1-5/8 |
4 |
3/4 |
3/4 |
3/8 |
|
YQG1-100 |
100 |
417 |
400 |
2440 |
2550 |
255 |
2-5/8 |
1-5/8 |
5 |
3/4 |
3/4 |
3/8 |
|
YQG1-110 |
110 |
458.7 |
400 |
2440 |
2550 |
255 |
2-5/8 |
1-5/8 |
5 |
3/4 |
3/4 |
3/8 |
|
YQG1-120 |
120 |
500.4 |
400 |
2440 |
2550 |
255 |
2-5/8 |
1-5/8 |
5 |
3/4 |
3/4 |
3/8 |
|
YQG1-130 |
130 |
542.1 |
400 |
2680 |
2790 |
255 |
2-5/8 |
1-5/8 |
5 |
3/4 |
3/4 |
3/8 |
|
YQG1-140 |
140 |
583.8 |
400 |
2990 |
3000 |
255 |
3-1/8 |
2-1/8 |
5 |
3/4 |
3/4 |
3/8 |
|
YQG1-150 |
150 |
625.5 |
400 |
3040 |
3150 |
255 |
3-1/8 |
2-1/8 |
5 |
3/4 |
3/4 |
3/8 |
|
|
|
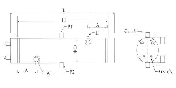
干式蒸发器双机 |
|
型号 |
冷吨RT |
外形尺寸(mm) |
进出口直径(英寸) |
|
R22 热负荷 kw |
D |
L1 |
L |
A |
G1 |
G2 |
G3 |
G4 |
W |
P1 |
P2 |
H |
|
YQG2-10 |
5+5 |
41.7 |
219 |
1180 |
1280 |
150 |
7/8 |
5/8 |
7/8 |
5/8 |
2 |
3/4 |
3/4 |
3/8 |
|
YQG2-16 |
8+8 |
66.7 |
219 |
1210 |
1310 |
150 |
1-1/8 |
5/8 |
1-1/8 |
5/8 |
2 |
3/4 |
3/4 |
3/8 |
|
YQG2-20 |
10+10 |
83.4 |
273 |
1320 |
1420 |
150 |
1-3/8 |
5/8 |
1-3/8 |
5/8 |
2-1/2 |
3/4 |
3/4 |
3/8 |
|
YQG2-30 |
15+15 |
125.1 |
273 |
1500 |
1600 |
200 |
1-5/8 |
7/8 |
1-5/8 |
7/8 |
3 |
3/4 |
3/4 |
3/8 |
|
YQG2-40 |
20+20 |
166.8 |
273 |
1720 |
1820 |
200 |
2-1/8 |
7/8 |
2-1/8 |
7/8 |
3 |
3/4 |
3/4 |
3/8 |
|
YQG2-50 |
25+25 |
208.5 |
326 |
1800 |
1920 |
200 |
2-1/8 |
1-1/8 |
2-1/8 |
1-1/8 |
3 |
3/4 |
3/4 |
3/8 |
|
|
|
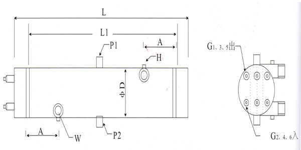
干式蒸发器叁机 |
|
型号
|
冷吨RT |
外形尺寸(mm) |
进出口直径(英寸) |
|
R22 热负荷 kw |
D |
L1 |
L |
A |
G1 G3 G5 |
G2 G4 G6 |
W |
P1 |
P2 |
H |
|
YQG3-15 |
5+5+5 |
62.5 |
219 |
1500 |
1600 |
150 |
7/8 |
5/8 |
2 |
3/4 |
3/4 |
3/8 |
|
YQG3-30 |
10+10+10 |
125.1 |
325 |
1800 |
1900 |
200 |
1-3/8 |
5/8 |
3 |
3/4 |
3/4 |
3/8 |
|
YQG3-45 |
15+15+15 |
187.7 |
325 |
2320 |
2420 |
200 |
1-5/8 |
7/8 |
3 |
3/4 |
3/4 |
3/8 |
|
YQG3-60 |
20+20+20 |
250.2 |
355 |
2320 |
2420 |
225 |
2-1/8 |
7/8 |
4 |
3/4 |
3/4 |
3/8 |
|
YQG3-75 |
25+25+25 |
312.8 |
355 |
2320 |
2420 |
225 |
2-1/8 |
1-1/8 |
4 |
3/4 |
3/4 |
3/8 |
|
YQG3-90 |
30+30+30 |
375.3 |
355 |
2430 |
2530 |
225 |
2-1/8 |
1-3/8 |
4 |
3/4 |
3/4 |
3/8 |
|
YQG3-120 |
40+40+40 |
500.4 |
405 |
2430 |
2530 |
225 |
2-5/8 |
1-3/8 |
4 |
3/4 |
3/4 |
3/8 |
|
|
|
|
关闭 |
|
| |
|
|